| 代号 | 示意图 | 结构型式 | 结构型式 | 结构型式 | 结构型式 | 安装型式(卧式) |
|---|---|---|---|---|---|---|
| 端盖式轴承数 | 底脚 | 凸缘 | 其他细节 | |||
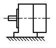
| IM B3 | ![]() | 2 | 有底脚 | — | — | 借底脚安装,底脚在下 |
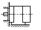
| IM B5 | ![]() | 2 | — | 有凸缘 | 端盖上带凸缘,凸缘有通孔,凸缘在 D 端 | 借 D 端凸缘面安装 |
| IM B6 | ![]() | 2 | 有底脚 | — | — | 借底脚安装,从 D 端看底脚在左边 |
| IM B7 | ![]() | 2 | 有底脚 | — | — | 借底脚安装,从 D 端看底脚在右边 |
| IM B8 | ![]() | 2 | 有底脚 | — | — | 借底脚安装,底脚在上 |
| IM B9 | ![]() | 1 | — | — | D 端无端盖或轴承 | 借 D 端的机座面安装 |
| IM B10 | ![]() | 2 | — | 有凸缘 | D 端有特殊的凸缘 | 借 D 端的凸缘面安装 |
| IM B14 | ![]() | 2 | — | 有凸缘 | 端盖有止口,有螺孔,凸缘在 D 端 | 借 D 端的凸缘面安装 |
| IM B15 | ![]() | 1 | 有底脚 | — | D 端无端盖或轴承,机座的 D 端用作附加安装 | 借底脚安装,底脚在下,用机座端面作附加安装 |
| IM B20 | ![]() | 2 | 有抬高的底脚 | — | — | 借底脚安装,底脚在下 |
| IM B25 | ![]() | 2 | 有抬高的底脚 | 有凸缘 | 端盖凸缘在 D 端,凸缘上有通孔 | 借底脚安装,底脚在下,用凸缘作附加安装 |
| IM B30 | ![]() | 2 | — | — | 在端盖或机座上有 3 只或 4 只搭子 | 借搭子安装 |
| IM B34 | ![]() | 2 | 有底脚 | 有凸缘 | 端盖有止口,有螺孔,凸缘在 D 端 | 借底脚安装,底脚在下,用 D 端的凸缘面作附加安装 |
| IM B35 | ![]() | 2 | 有底脚 | 有凸缘 | 端盖上带凸缘,凸缘有通孔,凸缘在 D 端 | 借底脚安装,底脚在下,用 D 端的凸缘面作附加安装 |
注:D 端通常指电动机的传动端和发电机的被传动端。电机具有不同直径的双轴伸时,直径大的一端为 D 端。电机具有相同直径的圆柱形轴伸和圆锥形轴伸时,圆柱形轴伸一端为 D 端。













